ZVF300H 通用型变频器
ZVF300H系列通用型变频器是紫日公司研发的高性能矢量低变频器,该变频器是GP合一,支持Modbus通讯协议。可广泛应用于异步电机的调速控制各种场合. 性能卓越、功能丰富、易用可靠,规格齐全。广泛应用于多个国家各类应用领域,得到客户广泛认可。
电压等级:
AC 200-240V(单相电源) 0.4-2.2kW
AC 360-440V (三相电源) 0.75-630kW
产品特点
丰富的功能设计 运行稳定
1、宽频率输出范围0-600Hz
2、多重密码保护方式
3、远控操作键盘,便于远程控制
4、V/F曲线多拐点设置,配置灵活
5、键盘参数拷贝功能,方便用户多机调试
6、宽行业应用,可根据不同行业扩展专用功能模块
7、多重硬件和软件保护及优化的硬件抗干扰技术
8、多段速与摆频运行(外部端子15段速控制)
9、独特的自适应控制技术,自动限流与限压及限行中欠压抑制
10、优化的外部安装、内部结构及独立风道设计,全封闭电气空间设计
11、输出自动稳压功能,自动调节输出脉宽,消除电网变化对负载的影响
12、内置PID调节功能,方便实现对温度、压力和流量进行闭环控制,降低控制系统成本
13、标准MODBUS通讯协议,轻松实现与PLC、工控机等其它工控设备间的通信
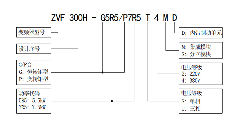
型号说明

铭牌说明

应用范围
广泛应用于冶金、石油、化工、电力、建材、煤碳、医药、食品、造纸、塑料、纺织、印染、起重、洗涤、线缆、包装、机械、陶瓷、供水、离心机、传送带、脱水机、污水处理、暖通等行业,如:拉丝机、搅拌机、挤出机、卷绕机械、压缩机、风机泵类、研磨机、传送带、提升机、离心机等。
选型指南
|
输入电压 (V) |
输出电压(V) |
功率范围 (kW) |
|
单相 200-240V |
三相0~输入电压VAC |
0.4kW~3.7kW |
|
三相 360-440V |
三相0~输入电压VAC |
0.75kW~630kW |
|
过载能力G型:150% 1分钟; 180% 1秒;200% 瞬间保护. 过载能力P型:120% 1分钟; 150% 1 秒;180% 瞬间保护. |
||
变频器的外形尺寸与安装尺寸 (单位:mm)

|
变频器型号 |
功率 (kW) G/P |
电流 (A) |
尺寸 (mm) |
图形 |
|||||
|
H |
H1 |
W |
W1 |
D |
d |
||||
|
ZVF300H-G0R4S2S |
0.4 |
2.4 |
185 |
175 |
118 |
108 |
170 |
5 |
Fig.1 |
|
ZVF300H-G0R7S2S |
0.75 |
4.5 |
185 |
175 |
118 |
108 |
170 |
5 |
|
|
ZVF300H-G1R5S2S |
1.5 |
7.0 |
185 |
175 |
118 |
108 |
190 |
5 |
|
|
ZVF300H-G2R2S2S |
2.2 |
10 |
185 |
175 |
118 |
108 |
190 |
5 |
|
|
ZVF300H-G3R7S2S |
3.7 |
16 |
215 |
205 |
145 |
135 |
193 |
5 |
|
|
ZVF300H-G0R7T4S |
0.75 |
2.5 |
185 |
175 |
118 |
108 |
170 |
5 |
|
|
ZVF300H-G1R5T4S |
1.5 |
3.7 |
185 |
175 |
118 |
108 |
170 |
5 |
|
|
ZVF300H-G2R2T4S |
2.2 |
5.0 |
185 |
175 |
118 |
108 |
170 |
5 |
|
|
ZVF300h-G3R0/P4R0T4S |
3.0 |
6.8/9.0 |
185 |
175 |
118 |
108 |
170 |
5 |
|
|
ZVF300H-G4R0/P5R5T4MD |
4.0/5.5 |
9.0/13 |
185 |
175 |
118 |
108 |
190 |
5 |
|
|
ZVF300H-G5R5/P7R5T4MD |
5.5/7.5 |
13/17 |
215 |
205 |
145 |
135 |
193 |
5 |
|
|
ZVF300H-G7R5/P011T4MD |
7.5/11 |
17/25 |
215 |
205 |
145 |
135 |
193 |
5 |
|
|
ZVF300H-G011/P015T4MD |
11/15 |
25/32 |
265 |
253 |
185 |
174 |
215 |
6 |
|
|
ZVF300H-G015/P018T4MD |
15/18.5 |
32/37 |
265 |
253 |
185 |
174 |
215 |
6 |
|
|
ZVF300H-G018/P022T4MD |
18.5/22 |
37/45 |
385 |
370 |
220 |
150 |
210 |
7 |
Fig.2 |
|
ZVF300H-G022/P030T4MD |
22/30 |
45/60 |
385 |
370 |
220 |
150 |
210 |
7 |
|
|
ZVF300H-G030/P037T4M |
30/37 |
60/75 |
450 |
435 |
260 |
180 |
225 |
7 |
|
|
ZVF300H-G037/P045T4M |
37/45 |
75/90 |
450 |
435 |
260 |
180 |
225 |
7 |
|
|
ZVF300H-G045/P055T4M |
45/55 |
90/110 |
510 |
490 |
320 |
220 |
275 |
9 |
|
|
ZVF300H-G055/P075T4M |
55/75 |
110/150 |
510 |
490 |
320 |
220 |
275 |
9 |
|
|
ZVF300H-G075/P090T4M |
75/90 |
150/176 |
570 |
550 |
380 |
260 |
320 |
9 |
|
|
ZVF300H-G090/P110T4M |
90/110 |
176/210 |
570 |
550 |
380 |
260 |
320 |
9 |
|
|
ZVF300H-G110/P132T4M |
110/132 |
210/253 |
570 |
550 |
380 |
260 |
320 |
9 |
|
|
ZVF300H-G132/P160T4M |
132/160 |
253/300 |
570 |
550 |
380 |
260 |
320 |
9 |
|
|
ZVF300H-G160/P185T4M |
160/185 |
300/340 |
800 |
775 |
460 |
350 |
330 |
11 |
|
|
ZVF300H-G185/P200T4M |
185/200 |
340/380 |
800 |
775 |
460 |
350 |
330 |
11 |
|
|
ZVF300H-G200/P220T4M |
200/220 |
380/420 |
900 |
870 |
550 |
400 |
330 |
13 |
|
|
ZVF300H-G220/P250T4M |
220/250 |
420/470 |
900 |
870 |
550 |
400 |
330 |
13 |
|
|
ZVF300H-G250/P280T4M |
250/280 |
470/520 |
950 |
920 |
650 |
550 |
385 |
13 |
|
|
ZVF300H-G280/P315T4M |
280/315 |
520/600 |
950 |
920 |
650 |
550 |
385 |
13 |
|
|
ZVF300H-G315/P350T4M |
315/350 |
600/640 |
1320 |
1286 |
660 |
550 |
415 |
13 |
|
|
ZVF300H-G160/P185T4M |
160/185 |
300/340 |
1100 |
|
460 |
|
330 |
柜式 |
Fig.3 |
|
ZVF300H-G185/P200T4M |
185/200 |
340/380 |
1100 |
|
460 |
|
330 |
柜式 |
|
|
ZVF300H-G200/P220T4M |
200/220 |
380/420 |
1200 |
|
550 |
|
330 |
柜式 |
|
|
ZVF300H-G220/P250T4M |
220/250 |
420/470 |
1200 |
|
550 |
|
330 |
柜式 |
|
|
ZVF300H-G250/P280T4M |
250/280 |
470/520 |
1300 |
|
650 |
|
385 |
柜式 |
|
|
ZVF300H-G280/P315T4M |
280/315 |
520/600 |
1300 |
|
650 |
|
385 |
柜式 |
|
|
ZVF300H-G315/P350T4M |
315/350 |
600/640 |
1600 |
|
660 |
|
415 |
|
|
|
ZVF300H-G350/P400T4M |
350/400 |
640/690 |
1750 |
|
750 |
|
470 |
|
|
|
ZVF300H-G400/P450T4M |
400/450 |
690/790 |
1750 |
|
750 |
|
470 |
|
|
|
ZVF300H-G450/P500T4M |
450/500 |
790/860 |
1900 |
|
950 |
|
520 |
|
Fig.4 |
|
ZVF300H-G500/P560T4M |
500/560 |
860/950 |
1900 |
|
950 |
|
520 |
|
|
|
ZVF300H-G560/P630T4M |
560/630 |
950/1100 |
1900 |
|
950 |
|
520 |
|
|
|
ZVF300H-G630T4M |
630 |
1100 |
1900 |
|
950 |
|
520 |
|
|
|
项目 |
项目描述 |
||
|
输入 |
额定电压、频率 |
单相/三相200-240VAC, 三相360-440VAC, 50/60Hz |
|
|
允许电压工作范围 |
电压波动范围:±10% 电压失衡率:<3%;频率波动:≤±5% |
||
|
输出 |
额定电压 |
三相0~输入电压VAC |
|
|
频率 |
0.00~600.00Hz |
||
|
过载能力 |
G型:150% 1分钟,180% 1秒,200% 瞬间保护; P型:120% 1分钟,150% 1秒,180% 瞬间保护。 |
||
|
控 制 功 能 |
调制方式 |
优化空间电压矢量PWM调制 |
|
|
控制方式 |
闭环控制(VC)、开环控制(SVC)、V/F控制、转矩控制 |
||
|
频率精度 |
数字设定:最高频率×±0.01% 模拟设定:最高频率×±0.2% |
||
|
频率分辨率 |
数字设定:0.01Hz;模拟设定:最高频率×0.1% |
||
|
起动频率 |
0.00~50.00Hz |
||
|
转矩提升 |
自动转矩提升,根据输出电流自动提升转矩 手动转矩提升,范围:0.1~30.0% |
||
|
转差补偿 |
设定范围:0~100%,可根据电机负载自动调整变频器输出频率, 减小电机随负载变化而引起的转速变化 |
||
|
加、减速时间 |
0.1~3600.0连续可设 |
||
|
载波频率 |
1.0~15.0KHz |
||
|
点动功能 |
点动频率范围:0.01~600.00Hz,点动加减速时间 0.1~3600.0可设。 |
||
|
V/F曲线 |
1:线性曲线;2:平方曲线;3:用户自定义V/F曲线 |
||
|
控制功能 |
自动节能运行 |
根据负载变化,自动优化V/F曲线,实现节能运行 |
|
|
自动电压调整(AVR) |
当电网电压发生变化时,能自动调节PWM输出,保持输出电压的恒定 |
||
|
内置PID |
可方便地构成闭环控制系统,适用于压力控制,流量控制等过程控制 |
||
|
运行功能 |
运行指令 |
操作面板控制、外部端子控制、串行通讯控制 |
|
|
频率设定 |
面板编码器设定、操作面板▲▼键设定、外控端子上升/下降设定、 模拟电压信号或外部电位器设定、模拟电流信号设定、 端子组合设定、485串行通讯设定等。 |
||
|
输入信号 |
正/反转信号、多段速信号、故障信号、复位信号等 |
||
|
输出信号 |
可编程继电器、集电极开路输出、故障信号输出 |
||
|
多功能模拟、数字 输出端子 |
0~10V或0~20mA直流信号和0~10KHz数字信号输出, 可实现输出频率、输出电流等物理量的输出 |
||
|
制动功能 |
能耗制动 |
外接制动电阻,最大制动转矩100% |
|
|
直流制动 |
起动,停机时分别可选,动作频率0~600Hz,动作电流水平0~150%,动作时间0~50秒,连续可设 |
||
|
其他功能 |
跳跃频率、点动功能、计数器、转速追踪、瞬时停电再启动、 频率上下限限制、加减速模式可调、频率表和电压表输出、 多段速/程序运行、二线式/三线式控制、摆频控制、 多功能输入端子选择、故障自动复位、485串行通讯 |
||
|
保护功能 |
输入缺相保护、过流保护、过载保护、过压保护、欠压保护、过热保护等 |
||
|
LED显示 |
可实时显示变频器的运行状态、监控参数、功能参数、故障代码等信息 |
||
|
选配件 |
制动组件、远程操作面板及连接线、通信板 |
||
|
环境 |
使用场所 |
室内,不受阳光直射,无尘埃、腐蚀性气体、 易燃易爆气体、油雾、水蒸汽、滴水或盐分 |
|
|
海拔高度 |
低于1000米 |
||
|
环境温度 |
-10~+45°C[裸机为-10~+50°C] |
||
|
湿度 |
20~90%RH,无水珠凝结 |
||
|
振动 |
小于0.5G |
||
|
存储温度 |
-20~+60°C |
||
|
结构 |
防护等级 |
IP20 |
|
|
冷却方式 |
强制风冷 |
||
|
安装方式 |
壁挂式,落地电控柜式 |
||










