产品特点
额定电压:440/250VAC 试验电压(1分钟):线至线1500VDC 线至地1500VAC/2500VDC
工作频率:50/60Hz 范围温度:-25~85℃ 绝缘电阻:线至地(300A以下)≥1500MΩ
技术参数
1. 额定电压 (VR): 440VAC,50/60Hz
2. 额定电流 ( IR): 5~1200A @ 40℃
3. 耐压 (VP): 2250VDC,5S(Line to line), 2550VDC,5S(Line to case)
4. 温度范围 (使用与存储): -25℃/+85℃, (25/085/21 IEC 60068−1)
5. 过载能力: 1.5 x IR 3min/hour, 2.5 x IR 30s/hour
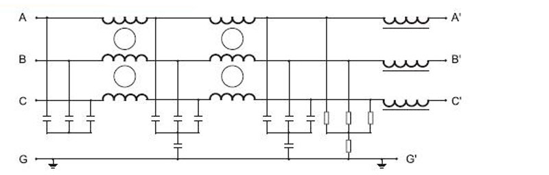
电路原理图

应用行业
逆变和变频应用:电梯和升降设备、牵引系统、加热、通风和工业空调
常规三相电机驱动系统
机床设备:打印设备、包装设备、钻床和磨床、纺织设备等
三相电源及UPS
滤波器选型表
|
电压 |
变频器功率 |
电流(A) |
输入滤波器 |
输出滤波器 |
|
220V |
0.4KW~0.75KW |
6A |
DL-6TH1 |
|
|
1.5KW |
10A |
DL-10TH3 |
|
|
|
2.2KW |
15A |
DL-15TH1 |
|
|
|
380V |
1.5KW |
5A |
DL-5EBK5 |
DL-5EBL5 |
|
2.2KW |
10A |
DL-10EBK5 |
DL-10EBL5 |
|
|
3-5.5KW |
16A |
DL-16EBK5 |
DL-16EBL5 |
|
|
7.5KW |
25A |
DL-25EBK5 |
DL-25EBL5 |
|
|
11KW |
35A |
DL-35EBK5 |
DL-35EBL5 |
|
|
15-22KW |
50A |
DL-50EBK5 |
DL-50EBL5 |
|
|
30KW |
65A |
DL-65EBK5 |
DL-65EBL5 |
|
|
37KW |
80A |
DL-80EBK5 |
DL-80EBL5 |
|
|
45KW |
100A |
DL-100EBK5 |
DL-100EBL5 |
|
|
55KW |
130A |
DL-130EBK5 |
DL-130EBL5 |
|
|
75KW |
160A |
DL-160EBK5 |
DL-160EBL5 |
|
|
95KW |
200A |
DL-200EBK5 |
DL-200EBL5 |
|
|
110-132KW |
300A |
DL-300EBK3 |
DL-300EBL3 |
|
|
160KW |
400A |
DL-400EBK3 |
DL-400EBL3 |
|
|
200-250KW |
600A |
DL-600EBK3 |
DL-600EBL3 |
|
|
315KW |
800A |
DL-800EBK5 |
DL-800EBL5 |
外形及安装尺寸(单位:mm)

|
型号 |
A |
B |
C |
D |
E |
F |
G |
H |
I |
J |
K |
M |
N |
P |
L |
|
5EBK5 |
184 |
160 |
202 |
42 |
60 |
86 |
18 |
58 |
M4 |
38 |
- |
- |
- |
M4 |
6.4x9.4 |
|
10EBK5 |
|||||||||||||||
|
16EBK5 |
|||||||||||||||
|
25EBK5 |
243 |
224 |
265 |
58 |
70 |
102 |
25 |
92 |
M6 |
58 |
M4 |
74 |
49 |
M6 |
6.4x9.4 |
|
35EBK5 |
|||||||||||||||
|
50EBK5 |
|||||||||||||||
|
65EBK5 |
|||||||||||||||
|
80EBK5 |
354 |
323 |
388 |
66 |
155 |
188 |
90 |
92 |
M8 |
62 |
M4 |
86 |
56 |
M8 |
6.4x9.4 |
|
100EBK5 |
|||||||||||||||
|
130EBK5 |
|||||||||||||||
|
160EBK5 |
|||||||||||||||
|
200EBK5 |
| 型号 |
A |
B |
C |
D |
E |
F |
G |
H |
I |
J |
K |
|
250EBK5 |
290 |
210 |
350 |
440 |
234 |
262 |
25 |
160 |
M12 |
25 |
12 |
|
320EBK5 |
|||||||||||
|
400EBK5 |
|||||||||||
|
600EBK5 |
|||||||||||
|
800EBK5 |
290 |
230 |
356 |
536 |
255 |
280 |
25 |
220 |
M12 |
25 |
13 |







