ZRMV 系列高压软起动
ZRMV系列高压固态软起动装置(以下简称软起动装置)是采用最新理念设计的高压电机软起动装置,主要适用于鼠笼式异步、同步电动机起动和停止的控制与保护。该装置采用多个可控硅串并连而成,可满足不同的电流及电压要求。
功能特点
●多种起动方式;
●起动控制:整机设有本地、远程(外部干接点)、PLC、 通迅(485接口、
Modbus )起停控制功能;
●软起/直接起动具有转换功能;
●晶闸管的保护:阻容吸收动静态均压技术,保证功率器件在高电压下串联的可靠安全运行;
●抗干扰性强;
●模块化设计;
●通讯接口: RS-485通讯接口,内嵌标准MODBUS协议,方便组态连接;
●模拟信号输出: 4-20ma信号;
●具有15次故障记忆;
●先进、完善的起停功能;
●高可靠性:
●高安全性;
●实用性强。
结构特点
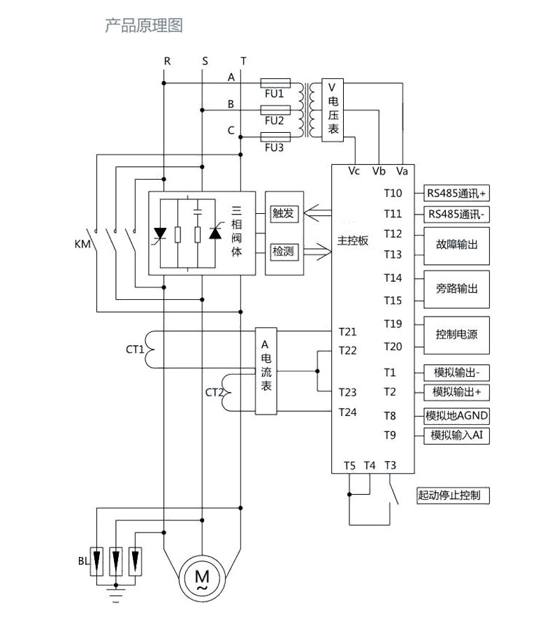
1.部件组成:高压可控硅模块、可控硅保护部件、光纤触发部件、真空开关部件、
信号采集与保护部件、系统控制与显示部件。
2.可控硅模块:每相中采用相同参数的可控硅串并联安装在-起。
3.可控硅保护部件:主要包括由RC网络组成的过电压吸收网络、由均压单元组成的均压保护网络。
4.光纤触发部件:采用强触发脉冲电路,保证触发的一致性和可靠性;利用光纤触发进行可靠高低压隔离。
5.真空开关部件:在起动完成后,三相真空旁路接触器自动吸合。电动机投入电网运行。
6.信号采集与保护部件:通过电压互感器、电流互感器、避雷器对主回路电压、电流信号进行采集,主CPU控制并进行相应保护。,系统控制与显示部件: 32位ARM核微控制器执行中心控制、LCD液晶/触摸屏显示,可显示3相电压、电流,故障信息运行状态等。
7.柜体结构采用KYN28高压开关柜柜体,主体结构采用厚度为2mm的覆铝锌钢板复合折边工艺,柜门采用2mm厚的冷轧钢板复合折边工艺,柜门采用静电喷塑工艺,具有抗撞击、耐腐蚀及外形美观的特点。防护等级为IP40。
型号说明

软起动外形尺寸与安装尺寸(单位:mm)


|
电压 |
型号 |
功率 (kW) |
额定电流(A) |
W(mm) |
H(mm) |
L(mm) |
|
3000V |
ZRMV-400-3 |
400kW |
100 |
1000 |
2300 |
1500 |
|
ZRMV-630-3 |
630kW |
150 |
||||
|
ZRMV-1600-3 |
1600kW |
400 |
1300 |
2300 |
1600 |
|
|
6000V |
ZRMV-420-6 |
420kW |
50 |
1000 |
2300 |
1500 |
|
ZRMV-630-6 |
630kW |
75 |
||||
|
ZRMV-1250-6 |
1250kW |
150 |
||||
|
ZRMV-1600-6 |
1600kW |
200 |
1300 |
2300 |
1600 |
|
|
ZRMV-2500-6 |
2500kW |
300 |
||||
|
ZRMV-3300-6 |
3300kW |
400 |
||||
|
ZRMV-4150-6 |
4150kW |
500 |
||||
|
10000V |
ZRMV-420-10 |
420kW |
30 |
1000 |
2300 |
1500 |
|
ZRMV-630-10 |
630kW |
45 |
||||
|
ZRMV-800-10 |
800kW |
60 |
||||
|
ZRMV-1250-10 |
1250kW |
90 |
||||
|
ZRMV-1500-10 |
1500kW |
110 |
||||
|
ZRMV-1800-10 |
1800kW |
130 |
||||
|
ZRMV-2250-10 |
2250kW |
160 |
||||
|
ZRMV-2500-10 |
2500kW |
180 |
||||
|
ZRMV-2800-10 |
2800kW |
200 |
||||
|
ZRMV-3500-10 |
3500kW |
250 |
||||
|
ZRMV-4000-10 |
4000kW |
280 |
||||
|
ZRMV-4500-10 |
4500kW |
320 |
1300 |
2300 |
1600 |
|
|
ZRMV-5500-10 |
5500kW |
400 |
||||
|
ZRMV-6000-10 |
6000kW |
430 |
||||
|
ZRMV-7000-10 |
7000kW |
500 |
|
基本参数 |
|
|
负载种类 |
三相高压鼠笼式异步电机、同步电机 |
|
交流电压 |
3000---10000VAC |
|
工作频率 |
50HZ/60HZ±2HZ |
|
相 序 |
ZRMV允许在任何相序下工作(可通过参数设定) |
|
主回路组成 |
(12SCRS、18SCRS、30SCRS视型号而定) |
|
旁路接触器 |
具有直接起动容量的接触器 |
|
控制电源 |
AC220V±15% |
|
瞬时过电压保护 |
dv/dt吸收网络 |
|
起动频次 |
1---6次(每小时) |
|
环境条件 |
环境温度:-20°C -+50°C |
|
相对湿度:5%----95%无凝露 |
|
|
海拔小于1500米(大于1500米需降容使用) |
|
|
保护功能 |
|
|
缺相保护 |
在起动或运行过程中,断开主电源的任意相 |
|
运行过流保护 |
运行过流保护设定:20~500%Ie |
|
相电流不平衡保护 |
相电流不平衡保护:0~100% |
|
过载保护 |
过载保护级别:5A、10、15、20、25、30 |
|
欠载保护 |
欠载保护级别:0~99% 欠载保护动作时间:0~250S |
|
起动超时 |
起动时间限制:0~120S |
|
过压保护 |
主电源电压高于额定值的120%时,过压保护 |
|
欠压保护 |
主电源电压低于额定值的70%时,欠压保护 |
|
相序保护 |
允许在任何相序下工作(可通过参数设定) |
|
接地保护 |
接地电流大于设定值时保护 |
|
通讯说明 |
|
|
通讯协议 |
Modbus RTU |
|
通讯接口 |
RS485 |
|
网络连接 |
每台ZRMV可与30台ZRMV设备连网通讯 |
|
功 能 |
通过通讯接口可以观察运行状态、编程 |
|
操作界面 |
|
|
LCD显示 |
LCD(液晶)显示/触摸屏显示 |
|
语 言 |
中、英文 |
|
键 盘 |
6个触摸式薄膜按键 |
|
仪表显示 |
|
|
主电源电压 |
显示三相主电源电压 |
|
三相电流 |
显示三相主回路电流 |
|
数据记录 |
|
|
故障记录 |
记录最近15次故障信息 |
|
起动次数记录 |
记录本装置的起动次数 |











