恒压供水控制柜
ZHB系列变频恒压供水控制柜是本公司开发的新一代节能型供水产品。其核心是交流变频技术和微机控制技术。采用闭环控制系统。本控制柜能自动调节水泵的转速和运行台数,使供水管网的压力保持设定的压力和所需流量,从而达到提高供水品质和高效节能的目的。本控制柜可取代高水位水箱、水塔等设施及阀门 调节等措施,提高供水自动化程度及居民饮用水质量,防止二次污染,是一种理想的现代化 供水产品。
产品特点
3台主泵+1台小泵,多种控制模式可选;
控制模式可选;
灵活的加、减泵控制逻辑;
灵活的休珉泵控制功能;
定时轮换控制,可有效防止泵的锈死;
多达8个时段压力控制,且每个时段内均可进行任意压力设定控制及实现定时
开关机功能
管网水压监控、报警;水泵接地、缺相 等完善保护功能。
型号说明

适用条件
环境温度: -10~50°C
控制方式:出口恒压
压力调节精度: <士0.01MPa
海拔高度:1000米以 下
电源:三相四线380V 土10%
振动: <0.5G
适用范围
城乡居民生活小区,高层建筑生活供水、宾馆、饭店及较大型建筑生活供水及消防用水;
城市集中供热供水和空调系统的冷热水循环系统;
各类型的水厂泵站、输油管道系统;
工矿企业生产用水循环用水工业锅炉供水系统等;
污水处理系统;
老式供水(气压水塔高水位水箱供水)改造;
农业排灌、喷灌及音乐喷泉等。
技术先进:采用微机控制使控制柜根据压力实现智能化恒压变量供量供水;
高效节能:系统能按需设定压力,系统根据设定的压力自动调节水泵转速和水泵运行台数,使设备运行在高效节能的最佳状态;
供水压力稳定:系统实现闭环控制,能自动调节设定压力和系统压力的差值,使压力保持恒定;
操作稳定:系统由变频器或变频器价智能控制器自动控制,操作极为简单;
延长电机水泵寿命:各泵皆为软起动,消除了起动时的冲击电流。各泵循环起动,使备用水泵不会因长久不用而生锈或使用频繁而磨损。
完善的保护功能:具有短路过流过压过热过载等多种保护,水泵运行如有故障,自动停止工作并报警输出;系统具有自检故障判断故障记忆故障显示自动起动备用泵等功能;
小流量睡眠功能:可配接附属小泵,使系统运行在夜间或其它小流量情况下,自动关闭主泵,开启附属小泵,从而避免因开大功率水泵而造成的浪费。
操作功能:变频器和控制器的编程与设定方便简单,容易掌握;
手自动切换功能:备有手动开关控制,可以保证设备的安全连续运行;
供水自动控制系统工作时,设备通过安装在供水管网上的高灵敏度压力传感器来检测供水管网在用水量变化时的压力变化,不断向变频器传输变化的信号,经过微机判断并与设定的压力比较后,向控制器发出改变频率的指令,控制器通过改变频率来改变水泵电机的转速与启用台数,自动调节峰谷用水量,保证供水管网压力恒定,以满足用户用水的需求。

变频器恒压供水控制柜 一拖一:

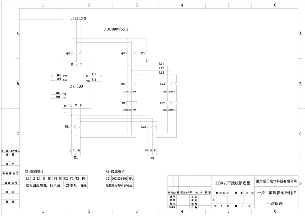
变频器恒压供水控制柜 一拖二:

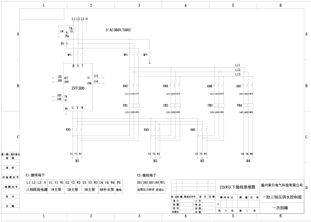
变频器恒压供水控制柜 一拖三:
















