ZVF600-G 高防护等级变频器
ZVF600-G系列IP54通用变频器是本公司自行研发的高防护等级水泵变频器,外壳防尘防泼水,可安装不同品牌水泵电机接线盒。 适应多种传感器信号,操作简单,可靠性高,噪音低,可单独控制一台泵,也可多联机运行。
电压等级
220V级(单相电源)0.75-3.7kW
380V级(三相电源)0.75-7.5kW
产品特点
1. 高防护IP54等级,全方位防尘防腐防溅水
2. 高性能V/F及矢量控制
3. 专业耐热设计,小功率无风扇更可靠
4. 直接安装在电机上,无须控制柜简单方便.
5. 功能和软件同ZVF300H系列。 可用于供水系统和通用型场合.
型号说明

变频器外形及安装尺寸(单位:mm)

|
变频器型号 |
电压 (V) |
功率 (kW) |
电流 (A) |
尺寸图 (mm) |
图形 |
|||||
|
H |
H1 |
W |
W1 |
D |
d |
|||||
|
ZVF600-G0R7S2M |
220V |
0.75 |
4.5 |
193 |
170 |
150 |
140 |
131 |
4.5 |
Fig.1 |
|
ZVF600-G1R5S2M |
1.5 |
7.0 |
||||||||
|
ZVF600-G2R2S2M |
2.2 |
10 |
||||||||
|
ZVF600-G3R7S2M |
3.7 |
16 |
228 |
205 |
150 |
140 |
131 |
4.5 |
Fig.2 |
|
|
ZVF600-G0R7T4M |
380V |
0.75 |
2.5 |
193 |
170 |
150 |
140 |
131 |
4.5 |
Fig.1 |
|
ZVF600-G1R5T4M |
1.5 |
3.7 |
||||||||
|
ZVF600-G2R2T4M |
2.2 |
5.0 |
||||||||
|
ZVF600-G3R0T4M |
3 |
6.8 |
||||||||
|
ZVF600-G4R0T4M |
4 |
9.0 |
228 |
205 |
150 |
140 |
131 |
4.5 |
Fig.2 |
|
|
ZVF600-G5R5T4M |
5.5 |
13 |
||||||||
|
ZVF600-G7R5T4M |
7.5 |
17 |
||||||||
|
项目 |
项目描述 |
|
|
输入 |
额定电压、频率 |
单相/三相220VAC, 三相380VAC, 50Hz/60Hz |
|
允许电压工作范围 |
电压波动范围:-20%~+20%;电压失衡率:<3%;频率波动:≤±5% |
|
|
输出 |
额定电压 |
三相0~输入电压VAC |
|
频率 |
0.00~600.00Hz |
|
|
基本功能 |
频率精度 |
数字设定:最高频率×±0.01%;模拟设定:最高频率×±0.2% |
|
频率分辨率 |
数字设定:0.01Hz;模拟设定:最高频率×0.1% |
|
|
起动频率 |
0.00~50.00Hz |
|
|
加、减速时间 |
0.1~3600.0连续可设 |
|
|
载波频率 |
1.0~15.0KHz |
|
|
V/F曲线 |
1:线性曲线;2:平方曲线;3:用户自定义V/F曲线 |
|
|
自动节能运行 |
根据负载变化,自动优化V/F曲线,实现节能运行 |
|
|
内置PID |
可方便地构成闭环控制系统,适用于压力控制,流量控制等过程控制 |
|
|
运行指令 |
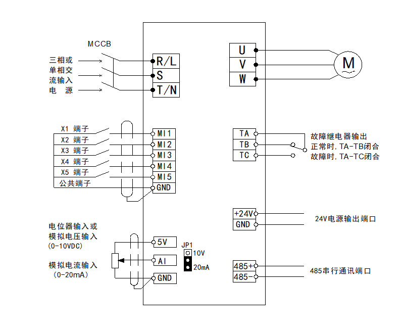
操作面板控制、外部端子控制、串行通讯控制 |
|
|
频率设定 |
操作面板▲▼键设定、模拟电压信号设定、 模拟电流信号设定、端子组合设定、485串行通讯设定等。 |
|
|
输入信号 |
正/反转信号、多段速信号、故障信号、复位信号等 |
|
|
输出信号 |
可编程继电器输出 |
|
|
其他功能 |
超压报警、转速追踪、瞬时停电再启动、频率上下限限制、 加减速模式可调、多功能输入端子选择、故障自动复位、485串行通讯等 |
|
|
保护功能 |
输入缺相保护、过流保护、过载保护、过压保护、 欠压保护、过热保护、缺水保护等 |
|
|
LED显示 |
可实时显示变频器的运行状态、监控参数、 功能参数、故障代码等信息 |
|
|
环境 |
使用场所 |
室内,不受阳光直射,可防尘防溅水 |
|
海拔高度 |
低于1000米 |
|
|
环境温度 |
-10~+45°C[裸机为-10~+50°C] |
|
|
湿度 |
20~90%RH,无水珠凝结 |
|
|
振动 |
小于0.5G |
|
|
存储温度 |
-20~+60°C |
|











