ZVF600 水泵变频器
ZVF600系列水泵控制变频器是本公司自主研发的一款高防护等级的水泵专用型变频器,外壳防尘防溅水,可安装在各种品牌水泵电机的接线盒上。适应多种传感器信号,操作简单,可靠性高,低噪音,可单独控制一台水泵,也可多台联机运行。
电压等级
220V级(单相电源)0.75-3.7kW
380V级(三相电源)0.75-7.5kW
产品特点
1. 高防护IP54等级,全方位防尘防腐防溅水
2. 高性能V/F及矢量控制
3. 供水专用设计,缺水停机保护,来水自动启动
4. 单泵恒压、主辅泵单线联网,全自动控制
5. 防冻、防锈功能,更具人性化的保护水泵
6. 一键式压力设置,快捷参数查看
7. 专用供水功能和故障保护功能
8. 专业耐热设计,小功率无风扇更可靠
9. 直接安装在电机上,无须控制柜简单方便
型号说明

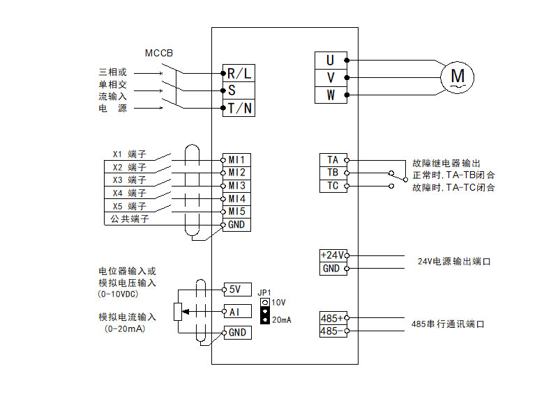
应用案列
主从泵控制(二线式4-20mA传感器)

主机设定参数如表
主机参数
|
F0.00 |
压力设定值 |
设定用户需要的压力值或直接面板设定 |
|
F0.04 |
传感器量程设定 |
按传感器的量程来设定 |
|
F0.05 |
传感器信号类型选择 |
设为电流信号 |
|
F0.16 |
反馈增益 |
用来校正显示压力与实际压力的偏差 |
|
F0.17 |
苏醒阀值宽度 |
设定从睡眠状态到苏醒状态的相差值 |
|
F0.19 |
睡眠频率 |
当运行频率小于该值时进入睡眠状态 |
|
F0.23 |
上电自起动选择 |
按实际要求来选择 |
|
F1.09 |
低水位控制模式 |
根据水位开关信号形式选择 |
|
F1.00 |
泵组控制模式选择 |
选择主从泵模式 |
|
F1.01 |
通讯地址 |
设为主机 |
|
F1.02 |
辅泵台数 |
选择2台 |
ZVF600-P 水泵变频器产品选型及安装尺寸(单位:mm)

|
变频器型号 |
电压(V) |
功率 |
输出电流(A) |
尺寸 (mm) |
图形 |
|||||
|
H |
H1 |
W |
W1 |
D |
d |
|||||
|
ZVF600-P0R7S2M |
220 |
0.75 |
4.5 |
193 |
170 |
150 |
140 |
131 |
4.5 |
Fig.1 |
|
ZVF600-P1R5S2M |
1.5 |
7.0 |
||||||||
|
ZVF600-P2R2S2M |
2.2 |
10 |
||||||||
|
ZVF600-P3R7S2M |
3.7 |
16 |
228 |
205 |
150 |
140 |
131 |
4.5 |
Fig.2 |
|
|
ZVF600-P0R7T4M |
380 |
0.75 |
2.5 |
193 |
170 |
150 |
140 |
131 |
4.5 |
Fig.1 |
|
ZVF600-P1R5T4M |
1.5 |
3.7 |
||||||||
|
ZVF600-P2R2T4M |
2.2 |
5.0 |
||||||||
|
ZVF600-P3R0T4M |
3 |
6.8 |
||||||||
|
ZVF600-P4R0T4M |
4 |
9.0 |
228 |
205 |
150 |
140 |
131 |
4.5 |
Fig.2 |
|
|
ZVF600-P5R5T4M |
5.5 |
13 |
||||||||
|
ZVF600-P7R5T4M |
7.5 |
17 |
||||||||
|
项目 |
项目描述 |
|
|
输入 |
额定电压、频率 |
单相/三相220VAC, 三相380VAC, 50Hz/60Hz |
|
允许电压工作范围 |
电压波动范围:-20%~+20%;电压失衡率:<3%;频率波动:≤±5% |
|
|
输出 |
额定电压 |
三相0~输入电压VAC |
|
频率 |
0.00~600.00Hz |
|
|
基本功能 |
频率精度 |
数字设定:最高频率×±0.01%;模拟设定:最高频率×±0.2% |
|
频率分辨率 |
数字设定:0.01Hz;模拟设定:最高频率×0.1% |
|
|
起动频率 |
0.00~50.00Hz |
|
|
加、减速时间 |
0.1~3600.0连续可设 |
|
|
载波频率 |
1.0~15.0KHz |
|
|
V/F曲线 |
1:线性曲线;2:平方曲线;3:用户自定义V/F曲线 |
|
|
自动节能运行 |
根据负载变化,自动优化V/F曲线,实现节能运行 |
|
|
内置PID |
可方便地构成闭环控制系统,适用于压力控制,流量控制等过程控制 |
|
|
运行指令 |
操作面板控制、外部端子控制、串行通讯控制 |
|
|
频率设定 |
操作面板▲▼键设定、模拟电压信号设定、 模拟电流信号设定、端子组合设定、485串行通讯设定等。 |
|
|
输入信号 |
正/反转信号、多段速信号、故障信号、复位信号等 |
|
|
输出信号 |
可编程继电器输出 |
|
|
其他功能 |
超压报警、转速追踪、瞬时停电再启动、频率上下限限制、 加减速模式可调、多功能输入端子选择、故障自动复位、485串行通讯等 |
|
|
保护功能 |
输入缺相保护、过流保护、过载保护、过压保护、 欠压保护、过热保护、缺水保护等 |
|
|
LED显示 |
可实时显示变频器的运行状态、监控参数、 功能参数、故障代码等信息 |
|
|
环境 |
使用场所 |
室内,不受阳光直射,可防尘防溅水 |
|
海拔高度 |
低于1000米 |
|
|
环境温度 |
-10~+45°C[裸机为-10~+50°C] |
|
|
湿度 |
20~90%RH,无水珠凝结 |
|
|
振动 |
小于0.5G |
|
|
存储温度 |
-20~+60°C |
|









